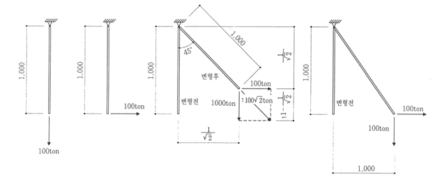
In the previous blog Geometric Nonlinearity Explained, various geometric nonlinear conditions are listed. To understand the differences between each non-linear theory, let’s consider a simple example as shown below. (Lee, Design, and Analys...
Ver MásBridge Library_america
Prestressed Concrete,
Concrete,
Bridge Construction,
Blog,
Shrinkage,
WSP,
Academic,
Post-tensioned,
Contractor
How to Perform Time-dependent Analysis? Mainly there are two ways to perform the time-dependent analysis. One is the time-step analysis and ...
